
0769-82327388
文章來源 : 廣東優科檢測 發表時間:2021-09-30 瀏覽數量:
廣東優科檢測是獲得CNAS和CMA資質認可的第三方檢測認證機構,實驗室具備電容器安規認證資質和檢測能力,可提供電容器VDE認證、UL認證、TUV認證、CQC認證及技術咨詢服務。

IEC 60384-14 《電子設備用固定電容器 第 14 部分:分規范 抑制電源電磁干擾用固定電容器》
1. Visual inspection and dimensional inspection 外觀檢查和尺寸檢驗;
2. Electrical test 電氣試驗;
3. Strength of outlet end 引出端強度;
4. Resistance to welding heat 耐焊接熱;
5. Weldability 可焊性;
6. Rapid temperature change 溫度快速變化;
7. Vibration 振動;
8. Climatic sequence 氣候順序;
9. Impact 沖擊;
10. Steady state damp heat 穩態濕熱;
11. Pulse voltage 脈沖電壓;
12. Durability 耐久性;
13. Charging and discharging 充電和放電;
14. Flame retardant test 阻燃性試驗;
15. Spontaneous combustion test 自燃性試驗;
16. High frequency characteristics 高頻特性;
17. Solvent resistance of components 元件耐溶劑;
18. Solvent resistance of marking標志的耐溶劑。
1. 貼片電容器:MLCC&塑封SMD
表面安裝電容器:一種小體積、形狀規則的電容器,適用于表面安裝的混合電流和印制板電路。

與傳統插件電容器的區別
(1) 增加抗彎測試和抗剪測試;
(2) 部分測試樣品需要安在測試板上。

貼片電容器抗彎測試

貼片電容器基板抗剪測試

測試基板參考
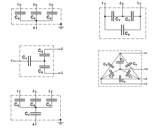
2. 雙芯或多芯電容器

部分電路圖節選
3. 穿心電容器

穿心電容器
(1) 同軸穿心電容器;
(2) 非同軸對稱使用穿心電容器 & 非同軸非對稱使用穿心電容器。

同軸穿心電容器電路圖
4. 串聯-RC組件

定義:電阻與X類或者Y類電容器串聯的功能組合。

電路圖
直流額定電壓和雙85認證
1. 附錄H:直流應用,最高可申請DC1500V
Q:一定要申請DC 1500V嗎?
A:不一定, 您可以選擇 ≤ DC 1500V的電壓,如DC 560V, DC 630V, DC 750V, DC 1000V等……由申請人根據實際情況申報。
2. 附錄I:常見的幾種測試條件有哪些呢?
測試方法A:
40℃/93%HR/56 & 60℃/93%HR/56 (注:施加額定電壓)
測試方法B(也稱為快速測試法):
雙85/500小時 & 雙85/1000小時 (注:施加額定電壓)
Q:附錄I的測試方法與型式試驗一覽表3的穩態濕熱測試是否一樣?
A:不一樣,測試條件有區別。具體認證細則和測試要求,您可以聯系廣東優科檢測工程師。

1. 客戶提交產品參數和相關文件;
2. VDE收到文件后報價,出報價單;
3. 客戶接受報價,簽返報價單;
4. VDE提供樣品要求;
5. 客戶送樣匯款;
6. VDE收到樣品、文件和測試費后安排測試;
7. 測試合格后發證。

獲取報價
如果您對我司的產品或服務有任何意見或者建議,您可以通過這個渠道給予我們反饋。您的留言我們會盡快回復!

